气动薄膜三通调节阀
一、产 品 概 述
气动薄膜三通调节阀广泛应用于石油、化工、冶金、电站等工业部门,具有调节精度高、调节性能好的特点。
气动薄膜三通调节阀由气动执行装置和三通调节阀组成。工作原理:外来气动压力信号输入膜室后,此压力作用在膜片上产生推力,此推力压缩弹簧组,并使推杆移动而带动阀杆使阀芯开(或关),直到推力与弹簧组被压缩后的反力平衡而稳定在行程的某个位置上为止,从而达到对压力、流量、温度、液位等工艺参数的调节。
三通阀有三个出入口与管道相连,按作用方式可分为合流和分流两种。合流式是两种流体通过阀时混合产生第三种流体,或者两种不同温度的流体通过阀时混合温度介于前两者之间的第三种流体,这种阀有两个进口和一个出口(见图一);分流式是把一种流体通过阀后分成两路,当阀在关闭一个出口的同时就打开另一个出口,这种阀有一个入口和两个出口(见图二)。合流阀必须用在合流场合,分流阀必须用在分流场合,但在公称通径≤80mm时,由于不平衡力小,合流阀可以用于分、合流场合。
二、规 格 与 技 术 参 数
公称压力:1.6~6.4MPa(16~64kgf/cm2)
公称通径:DN25~DN300 mm
阀体材质:铸铁、铸钢、铸不锈钢
固有流量特性:直线型、等百分比
作用方式:气开式、气关式
输入通道:3个
温度范围:普通:-20~200℃,-20~250℃,-40-250℃
带散热型:-20~450℃
环境温度范围:-20~60℃
|
零 件 名 称 |
材质 |
|
阀 体 和 阀 盖 |
HT200-400、ZG25、ZG1Cr18Ni9Ti |
|
阀 内 件 |
0Cr18Ni9(硬化处理) |
|
填 料 |
聚四氟乙烯、柔性石墨、石棉编织填料 |
|
膜 片 |
丁腈橡胶夹增强涤纶织物 |
|
压 缩 弹 簧 |
60Si2Mn |
|
膜 盖 |
A3 |
|
衬 套 |
石墨复合材料 |
|
垫 片 |
橡胶石棉板、1Cr18Ni9Ti石棉缠绕垫片 |
主要零件材料
主要技术性能指标
|
序号 |
技 术 性 能 |
不 带 定 位 器 |
带 定 位 器 |
|
1 |
基本误差 |
≤±5% |
≤±1% |
|
2 |
回差 |
≤3% |
≤1% |
|
3 |
死区 |
≤3% |
≤0.4% |
|
4 |
始终点偏差 |
— |
≤±1.0% |
|
5 |
额定行程偏差 |
— |
≤+2.5% |
|
6 |
泄漏量 |
符合GB/T4213-2008 III级标准所规定 |
|
气动执行机构技术参数
|
型号 |
行 程(mm) |
气源压力 (Kpa) |
有效面积 |
管路螺纹连接 |
配用阀门口径(mm) |
|
A ZJH —22 B |
10—16 |
20~100 40~200 80~240 |
350 |
M16X1.5 |
15—32 |
|
A ZJH —23 B |
25 |
560 |
40—50 |
||
|
A ZJH —34 B |
40 |
65—100 |
|||
|
A ZJH —45 B |
60 |
900 |
125—200 |
调节阀规格及技术参数
|
公称通径 |
25 |
32 |
40 |
50 |
65 |
80 |
100 |
125 |
150 |
200 |
|
额定 CV值 |
8.5 |
13 |
21 |
34 |
53 |
85 |
135 |
210 |
340 |
535 |
|
额定行程 |
16 |
25 |
40 |
60 |
||||||
|
流量特性 |
直线型和等百分比 |
|||||||||
|
固有可调比 |
30:1 |
|||||||||
|
公称压力 |
16,25,40,64 |
|||||||||
|
气源压力 |
0.14MPa,0.2MPa,0.4MPa |
|||||||||
调节阀允许压差
|
供 气压 力 |
弹簧范围 |
25 |
32 |
40 |
50 |
65 |
80 |
100 |
125 |
150 |
200 |
|
0.14 |
0.02~0.1 |
0.12 |
0.75 |
0.5 |
0.3 |
0.0 |
0.2 |
0.12 |
0.12 |
0.08 |
0.05 |
|
0.24 |
0.04~0.2 |
2.4 |
1.5 |
0.1 |
0.6 |
0.6 |
0.4 |
0.24 |
0.24 |
0.16 |
0.1 |
上表以标准规格执行机构为计算基础,如最大工作压差超过表列范围,可向我厂提出,采取适当的解决方法。
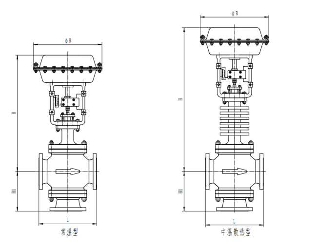
三、结构示意图和连接尺寸
|
公称通径 DN |
L |
H1 |
H |
|||||||||
|
合流 |
分流 |
|||||||||||
|
PN1.6 |
PN4.0 |
PN6.4 |
普通型 |
散热型 |
波纹管型 |
PN1.6 |
PN4.0 |
PN6.4 |
PN1.6 |
PN4.0 |
PN6.4 |
|
|
20 |
180 |
180 |
190 |
165 |
290 |
275 |
138 |
138 |
/ |
/ |
/ |
/ |
|
25 |
185 |
185 |
200 |
180 |
305 |
290 |
150 |
150 |
160 |
150 |
150 |
160 |
|
32 |
200 |
200 |
210 |
185 |
310 |
295 |
160 |
160 |
170 |
160 |
160 |
170 |
|
40 |
220 |
220 |
235 |
200 |
325 |
310 |
165 |
165 |
175 |
165 |
165 |
185 |
|
50 |
250 |
250 |
265 |
205 |
330 |
315 |
180 |
180 |
190 |
180 |
180 |
190 |
|
65 |
275 |
275 |
295 |
270 |
355 |
385 |
200 |
200 |
210 |
200 |
200 |
228 |
|
80 |
300 |
310 |
320 |
280 |
375 |
395 |
220 |
220 |
230 |
237 |
237 |
247 |
|
100 |
350 |
355 |
370 |
295 |
390 |
410 |
230 |
230 |
240 |
260 |
260 |
270 |
|
125 |
410 |
425 |
440 |
345 |
475 |
465 |
270 |
270 |
295 |
298 |
298 |
323 |
|
150 |
450 |
460 |
475 |
355 |
485 |
480 |
295 |
295 |
315 |
320 |
320 |
340 |
|
200 |
550 |
560 |
570 |
395 |
550 |
520 |
360 |
360 |
380 |
390 |
390 |
410 |
|
250 |
640 |
660 |
670 |
510 |
710 |
635 |
400 |
400 |
420 |
465 |
465 |
485 |
|
300 |
740 |
785 |
800 |
560 |
760 |
695 |
480 |
480 |
510 |
548 |
548 |
578 |
连 接 尺 寸
四、安 装 与 维 护
1、安装:
(1)、检查整机零件是否缺损与松动,对使用有害人体健康的介质,必须进行强度、密封、泄漏与精度测试。
(2)、在安装前,对管道应进行清洗,阀门入口处要有足够的直管段,并配有过滤器。阀体与管道的连接,要注意同轴度。
(3)、安装场地应考虑到人员与设备的安全,即便于操作,又有利于拆装与维修。
(4)、阀门应正立垂直安装在水平管道上,不得已时可倾斜安装或阀自重较大时与有振动的场合,要用支撑架,尽量避免水平安装。
(5)、介质流动方向应与阀体上的箭头指向一致。阀门应在环境温度为-25~55℃场所使用。
(6)、为使自控系统失灵或检修阀门时,仍能连续生产,应设置盘路阀。
2、维护:
(1)、清洗阀门:对清洗一般介质,只要用水洗净就可以。但对清洗有害健康的介质,首先要了解其性质,再选用相应的清洗办法。
(2)、阀门的拆卸:将外露表面生锈的零件先除锈,但在除绣前,要保护好阀座、阀芯、阀杆与推杆等精密零件的加工表面。拆装阀座时应使用专用工具。
(3)、阀芯、阀座:密封面有较小的锈斑与磨损,可用机械加工的方法进行修理,如损坏严重必须换新。但不管修理或更换后的硬密封面,都必须进行研磨。
(4)、阀杆:表面损坏,必须更新。
(5)、推杆、导向与密封面的损坏:对反作用执行机构必须换新,而对正作用执行机构,可作适当的修理后使用。
(6)、压缩弹簧:如有裂纹等影响强度的缺陷,必须换新。
(7)、易损零件:填料、密封垫片与O型圈、膜片,每次检修时,全部换新。
(8)、阀门组装要注意对中,螺栓要在对角线上拧紧,滑动部分要加润滑油。组装后应按产品出厂测试项目与方法调试,并在这期间,可更准确地调整填料压紧力与阀芯关闭位置。
(9)、常见故障与排除方法见下表。
|
故 障 现 象 |
产 生 原 因 |
排 除 方 法 |
|
信号输入时不动作 |
1、 推杆、阀体、阀芯卡死 2、 阀体内有异物卡死 3、 信号至执行机构漏气或堵塞 |
1、 拆装,消除卡死原因 2、 拆装,排除异物 3、 堵漏或疏通 |
|
阀关闭不严密泄漏量过大 |
1、 阀杆初始位置不对 2、 阀体内异物卡住 3、 阀芯、阀座腐蚀或磨损 4、 压差过大,超过允许压差 |
1、 重新调整 2、 排除异物 3、 更换或重新研磨 4、 加大一档执行机构或用套筒切断阀 |
|
阀动作不稳定有振动现象 |
1、 执行机构推力不够 2、 填料太紧或阀杆磨擦力过大 3、 支撑不稳,附近有振动源 |
1、 选大一档执行机构 2、 放松填料压盖至不漏为止,或阀杆出磨擦减小 3、 加强支撑,消除振动源 |
|
填料函处渗漏 |
1、 填料压盖没压紧 2、 填料损坏 3、 阀杆损坏 |
1、 压紧填料压盖 2、 更换填料 3、 更换阀杆 |
|
阀体与上阀盖连接处渗漏 |
1、 密封垫圈损坏 2、 紧固件松动 |
1、 更换密封垫片 2、 拧紧 |
|
阀动作迟钝 |
1、 阀内堵塞或结焦 2、 填料太紧或损坏,阀杆磨擦力过大 |
1、 清洗 2、 调整填料压盖螺钉或更换填料 |
五、订货须知
订货时,请写明:
1、型号 8、介质温度和比重
2、公称通径×阀座直径 9、附件(定位器、手轮、减压阀等)。
3、公称压力和法兰连接型式 10、特殊要求,禁油、禁 铜等。
4、阀体和阀内组件材料,表面硬化处理要求 11、介质名称
5、流量特性 12、正常流量和要求最大流量。
6、供气压力和阀前、阀后压力 13、介质压力
7、阀作用型式(气一关式还是气一开式)。 14、介质粘度,是否含有悬浊液


