活塞式自力式压力调节阀
一、 用途与特点
ZZY型自力式压力调节阀是不需要任何外加能源,利用被调介质自身能量而实现自动调节的执行器产品。该产品最大特点,能在无电、无气的场所工作,同时又节约了能源,压力设定值在运行中可随意调整。采用快开流量特征,动作灵敏、密封性能好,因而它广泛应用于石油、化工、电力、冶金、食品、轻纺、机械制造与居民建筑楼群等各种是工业设备中用气体、液体及蒸汽介质减压、稳压(用于阀后调节),或泄压、稳压(用于阀前调节)的自动控制。
二、结构与作用原理
调节阀主要有检测执行机构、调压阀、冷凝器与阀后接管等四部分组成,其结构(见图一)。
图一a、用于控制阀后压力调压阀,阀的作用方式为压闭型。其原理如下:介质由箭头方向流入阀体、经阀芯、阀座节流后输出。另一路经冷凝器(介质为蒸汽时使用)冷却后,被引入执行机构作用于膜片上,使阀芯随之发生相应的位移,达到减压、稳压之目的。如阀后压力增加,作用于膜片上的力增加,压缩弹簧,带动阀芯,使阀门开启度减小,直至阀后压力下降到设定值为止。同理,如阀后压力降低,作用在膜片上的减小,由于弹簧的反作用力,带动阀芯,使阀门开启度增大,直到阀后压力上升到设定值为止。
|
1.进液接头 2.排气塞 3.检测执行机构 4.进液管 5.弹簧座 6.冷凝器 7.阀杆 8.弹簧 9.压力调节盘 10.注液口螺钉 11.取压管 12.阀后接管 13.阀芯 14.阀体
|
图一b、用于控制阀前压力的调节阀,阀的作用方式为压开型。其原理如下:介质由箭头方向流入阀体,另一条经冷凝器(介质为蒸汽时使用)冷却后,被引入执行机构作用于膜片上,使阀芯随之发生相应的位移,达到泄压、稳压之目的。如阀前压力增加,作用于膜片上的力增加,压缩弹簧,带动阀芯,使阀门开启度增大,直到阀前压力下降到设定值为止。同理,如阀前压力降低,作用于膜片上的力减少,由于弹簧的反作用力,带动阀芯,使阀门开启度减小,直到阀前压力上升到设定值为止。
|
1.进液接头 2.排气塞 3.检测执行机构 4.进液管 5.弹簧座 6.冷凝器 7.弹簧 8.阀杆 9.压力调节盘 10.注液口螺钉 11.取压管 12.阀后接管 13.阀芯 14.阀体 15.下阀盖 |
三、主要技术参数和性能指标、材料
1.主要接数参数和性能指标 表一
|
公称通径mm) |
20 |
25 |
32 |
40 |
50 |
65 |
80 |
100 |
125 |
150 |
200 |
250 |
300 |
||||||||||
|
额定流量系数(Kv) |
5 |
8 |
12.5 |
20 |
32 |
50 |
80 |
125 |
160 |
320 |
450 |
630 |
850 |
||||||||||
|
额定行程mm) |
8 |
10 |
12 |
18 |
20 |
25 |
30 |
35 |
40 |
||||||||||||||
|
公称压力(MPa) |
1.6、2.5、4.0、6.4 |
||||||||||||||||||||||
|
压力调节范围(KPa) |
15~50 40~80 60~100 80~140 120~180 160~220 200~260 240~300 280~350 330~400 380~450 430~500 480~560 540~620 600~700 680~800 780~900 880~1000 600~1500 1000~2500 |
||||||||||||||||||||||
|
流量特性 |
快开 |
||||||||||||||||||||||
|
调节精度(%) |
±5 |
||||||||||||||||||||||
|
使用温度(℃) |
软密封≤250℃, 硬密封≥250~450℃ |
||||||||||||||||||||||
|
允许泄漏量 |
硬密封(l/h) |
单座:≤10-4阀额定容量(IV级); 双座、套筒:≤5×10-3阀额定容量(Ⅲ级) |
|||||||||||||||||||||
|
软密封(ml/h) |
0.15 |
0.30 |
0.45 |
0.60 |
0.90 |
1.7 |
4.0 |
6.75 |
11.10 |
11.60 |
|||||||||||||
|
减压比 |
最大 |
10 |
|||||||||||||||||||||
|
最小 |
1.25 |
||||||||||||||||||||||
2、压力调节范围确定
压力调节范围分段,见主要参数及性能指标表,控制压力应尽量选取在调节范围中间值附件(见表一)。
3、阀后压力调节阀,其阀前压力与阀后压力的关系
自力式调节阀本身是一个调节系统,阀本身又有一定的压降要求,对阀后压力调节阀(B型),为保证阀后压力在一定范围内,其阀前压力必须达到一定值,其要求可参见表二。
表二
|
阀前 压力 |
30 |
50 |
100 |
150 |
200 |
250 |
300 |
350 |
400 |
450 |
500 |
550 |
600 |
|
阀后 压力 |
15~24 |
15~40 |
15~80 |
15~120 |
20~160 |
25~200 |
30~240 |
35~280 |
40~320 |
45~360 |
50~400 |
55~440 |
60~480 |
|
|
|||||||||||||
|
阀前 压力 |
650 |
700 |
750 |
800 |
850 |
900 |
950 |
1000 |
1250 |
1500 |
2000 |
2500 |
3000 |
|
阀后 压力 |
65~520 |
70~560 |
75~600 |
80~640 |
85~680 |
90~720 |
95~760 |
100~800 |
125~1000 |
150~1200 |
200~1600 |
250~2000 |
300~2400 |

外形尺寸图
4、外形尺寸与重量 表三
|
公称通径DN |
20 |
25 |
32 |
40 |
50 |
65 |
80 |
100 |
125 |
150 |
200 |
250 |
300 |
|||
|
法兰接管尺寸B |
383 |
512 |
603 |
862 |
1023 |
1380 |
1800 |
2000 |
2200 |
|||||||
|
法兰端面距L |
PN16 |
180 |
184 |
200 |
222 |
254 |
276 |
298 |
352 |
410 |
451 |
600 |
650 |
740 |
||
|
PN40 |
184 |
197 |
210 |
235 |
267 |
292 |
317 |
368 |
425 |
473 |
620 |
660 |
770 |
|||
|
PN64 |
187 |
210 |
210 |
251 |
286 |
311 |
337 |
394 |
440 |
508 |
650 |
670 |
800 |
|||
|
压力调节范围 |
15-140 |
H |
475 |
520 |
540 |
710 |
780 |
840 |
880 |
915 |
940 |
1000 |
||||
|
A |
280 |
308 |
||||||||||||||
|
130-300 |
H |
455 |
500 |
520 |
690 |
760 |
800 |
870 |
880 |
900 |
950 |
|||||
|
A |
230 |
|||||||||||||||
|
280-500 |
H |
450 |
490 |
510 |
680 |
750 |
790 |
860 |
870 |
890 |
940 |
|||||
|
A |
176 |
194 |
280 |
|||||||||||||
|
480-1000 |
H |
445 |
480 |
670 |
740 |
780 |
850 |
860 |
880 |
930 |
||||||
|
A |
176 |
194 |
280 |
|||||||||||||
|
600-1500 |
H |
445 |
570 |
600 |
820 |
890 |
950 |
1000 |
1100 |
1200 |
||||||
|
A |
85 |
96 |
||||||||||||||
|
1000-2500 |
H |
445 |
570 |
600 |
850 |
890 |
950 |
1000 |
1100 |
1200 |
||||||
|
A |
85 |
96 |
||||||||||||||
|
重量kg |
26 |
37 |
42 |
72 |
90 |
114 |
130 |
144 |
180 |
200 |
250 |
|||||
|
导压管接头螺纹 |
3/8NPT、1/4NPT |
|||||||||||||||
5、主要零件材料 表四
|
零件名称 |
材料 |
|
阀体 |
ZG230-450(WCB)、 ZG1Cr18Ni9Ti(CF8)、ZGCr18Ni12Mo2Ti(CF8M) |
|
阀芯 |
1Cr18Ni9Ti、Cr18Ni12Mo2Ti |
|
阀座 |
1Cr18Ni9Ti、Cr18Ni12Mo2Ti |
|
阀杆 |
1Cr18Ni9Ti、Cr18Ni12Mo2Ti |
|
橡胶膜片 |
丁晴、乙炳、氟、耐油橡胶 |
|
膜盖 |
Q235/304 |
|
填料 |
聚四氟乙烯、柔性石墨、O型圈 |
四、安装、使用与维护
1、安装

①如果阀在常温下(≤100℃)或低粘度液体介质中使用时,此时与通常的气动薄膜调节阀相同为直立安装在水平管道上,如图三所示。

②如果使用的介质为蒸汽时,自力式压力调节阀需倒立安装在水平管道上,如图四所示。
安装时,注意以下几点:
(1)冷凝器必须高于调压阀的执行机构而低于阀后(阀后调压阀)或阀前(阀前调压阀)接管,以保证冷凝器内充满冷凝液。
(2)取压点应取在离调压阀适当的位置,阀前调压阀应大于2倍管道直径,阀后调压阀应大于6倍管道直径。
(3)为便于现场维修及操作,调压阀四周应留有适当空间,阀前后应设置截止阀与旁路手动阀,
(4)调压阀口径过大(DN≥100时),应有固定支架
(5)介质流动方向与阀体上箭头指向一致,前后管道中心应对准调压阀两法兰中心,避免阀体受过大的应力。
(6)阀体应设置过滤器以防止介质中杂质堵塞。
(7)调节阀应安装在环境温度不超过-25℃至55℃的场合。
2.使用
在常温下使用气体或低粘度液体场合时的操作程序(参见图三)
(1)缓慢开启阀前后截止阀
(2)拧松排气塞,直至气体或液体从执行机构溢出为止
(3)然后重新拧紧排气塞,调压阀即可工作,所需压力值的大小可通过压力调节盘的调整而得到。调整时,注意观察压力表示值,动作应缓慢,不得使阀杆跟着转动。
使用蒸汽场合时的操作程序(参见图四)
(1)从冷凝器上拧下注液口螺钉。
(2)拧松执行机构排气塞。
(3)使用漏斗通过注液口加水直至排气孔流出为止。
(4)拧紧排气塞,继续注水直至溢出注液口。
(5)拧紧注液口螺钉。
(6)缓慢开启调压阀前后截止阀。
(7)调整压力调节盘,并观察压力表示值达到要求为止。
3.维修
调节阀投入运行后,一般维修工作量很少,平时只要观察并前、阀后压力示值是否符合工艺所需即可。另外,观察填料函与执行机构是否渗漏,若渗漏应拧紧或更换填料及膜片。调压阀常见故障排除方法(见表五)。
|
故障现象 |
产生原因 |
排除方法 |
|
阀后压力不稳定随着 阀前压力变动而变动 |
1、阀芯被异物卡住 2、阀杆、推杆卡住 3、进液管道堵塞 |
1、重新拆装排除异物 2、重新调整 3、疏通 |
|
阀后压力降不下来,始 终在需求值上方变动 |
1、设定弹簧刚度太大 2、阀口径过大 3、阀前压力过高、减压比过大 |
1、更换弹簧 2、更换较小口径 3、阀前压:阀后压超过10:1应2级降压 |
|
阀后压力升不上去,始 终在需求值下方变动 |
1、设定弹簧刚度太小 2、阀口径过小 3、减压比过小 |
1、更换弹簧 2、更换较大口径 3、阀前压:阀后压低于1.25应提高阀前压 |
|
阀后压力升不上去,始 终在需求值下方动作 |
1、设定弹簧刚度太小 2、阀芯被异物卡住 3、阀相干、推杆卡住 4、阀芯、阀座损坏、泄漏量过大 5、阀口径太大 |
1、更换弹簧 2、重新拆装 3、重新调整 4、重新研磨或更换
5、更换较小口径 |
|
阀后压力降不下来,始 终在需求值上方动作 |
1、设定弹簧刚度太大 2、阀口径太小 3、阀芯、阀杆、推杆等卡死 |
1、更换弹簧 2、更换较大口径 3、排除卡死原因,重新调整 |
|
阀后压或阀前压 波动过于频繁 |
1、阀口径过大 2、执行机构膜室容量太小 |
1、选择恰当的阀口径 2、在进液管道内增设阻尼器 |
五、订货须知
订货时请用户提供以下资料:
|
型 号 |
|
名 称 |
|
|
公称通径 |
|
公称压力 |
|
|
信号范围 |
|
作用方式 |
|
|
介质参数 |
|
介质工作温度 |
|
|
额定流量参数 |
|
固有流量特性 |
|
|
阀前最大压力 阀前最小压力 阀前正常压力 |
|
阀后最大压力 阀后最小压力 阀后正常压力 |
|
|
最大流量 最小流量 正常流量 |
|
液体粘度 液体重度 气体重度 |
|
|
材质:阀芯 阀体 阀内件 填料 |
|
附 件 |
|
|
工艺管道尺寸 |
|
耐蚀等特殊要求 |
|
|
自力式调压范围 调温范围 压差调节范围 微压调节范围 |
|
|
|
附录
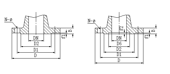
法兰尺寸(附表一)
|
PN1.6MPa |
||||||
|
DN |
D2 |
D1 |
D |
N-Φ |
B |
f1 |
|
DN25 |
65 |
85 |
115 |
4-14 |
14 |
2 |
|
DN32 |
78 |
100 |
135 |
4-18 |
16 |
2 |
|
DN40 |
85 |
110 |
145 |
4-18 |
16 |
3 |
|
DN50 |
100 |
125 |
160 |
4-18 |
16 |
3 |
|
DN65 |
120 |
145 |
180 |
4-18 |
18 |
3 |
|
DN80 |
135 |
160 |
195 |
8-18 |
20 |
3 |
|
DN100 |
155 |
180 |
215 |
8-18 |
20 |
3 |
|
DN125 |
185 |
210 |
245 |
8-18 |
22 |
3 |
|
DN150 |
210 |
240 |
280 |
8-23 |
24 |
3 |
|
DN200 |
265 |
295 |
335 |
12-23 |
26 |
3 |
|
DN250 |
320 |
355 |
405 |
12-25 |
30 |
3 |
|
DN300 |
375 |
410 |
460 |
12-25 |
30 |
4 |
|
PN2.5MPa |
||||||
|
DN |
D2 |
D1 |
D |
N-Φ |
B |
f1 |
|
DN25 |
65 |
85 |
115 |
4-14 |
16 |
2 |
|
DN32 |
78 |
100 |
135 |
4-18 |
18 |
2 |
|
DN40 |
85 |
110 |
145 |
4-18 |
18 |
3 |
|
DN50 |
100 |
125 |
160 |
4-18 |
20 |
3 |
|
DN65 |
120 |
145 |
180 |
8-18 |
22 |
3 |
|
DN80 |
135 |
160 |
195 |
8-18 |
22 |
3 |
|
DN100 |
160 |
190 |
230 |
8-23 |
24 |
3 |
|
DN125 |
188 |
220 |
270 |
8-25 |
28 |
3 |
|
DN150 |
210 |
250 |
300 |
8-25 |
30 |
3 |
|
DN200 |
278 |
310 |
360 |
12-25 |
34 |
3 |
|
DN250 |
332 |
370 |
425 |
12-30 |
36 |
3 |
|
DN300 |
390 |
430 |
485 |
16-30 |
40 |
4 |
|
PN4.0MPa |
||||||||
|
DN |
D6 |
D2 |
D1 |
D |
f2 |
N-Φ |
B |
f1 |
|
DN25 |
58 |
65 |
85 |
115 |
4 |
4-14 |
16 |
2 |
|
DN32 |
66 |
78 |
100 |
125 |
4 |
4-18 |
18 |
2 |
|
DN40 |
76 |
85 |
110 |
145 |
4 |
4-18 |
18 |
3 |
|
DN50 |
88 |
100 |
125 |
160 |
4 |
4-18 |
20 |
3 |
|
DN65 |
110 |
120 |
145 |
180 |
4 |
8-18 |
22 |
3 |
|
DN80 |
121 |
135 |
160 |
195 |
4 |
8-18 |
22 |
3 |
|
DN100 |
150 |
160 |
190 |
230 |
4.5 |
8-23 |
24 |
3 |
|
DN125 |
176 |
188 |
220 |
270 |
4.5 |
8-25 |
28 |
3 |
|
DN150 |
204 |
218 |
250 |
300 |
4.5 |
8-25 |
30 |
3 |
|
DN200 |
260 |
282 |
320 |
375 |
4.5 |
12-30 |
38 |
3 |
|
DN250 |
313 |
345 |
385 |
445 |
4.5 |
12-34 |
42 |
3 |
|
DN300 |
364 |
408 |
450 |
510 |
4.5 |
16-34 |
46 |
4 |
|
PN6.4MPa |
||||||||
|
DN |
D6 |
D2 |
D1 |
D |
f2 |
N-Φ |
B |
f1 |
|
DN25 |
58 |
78 |
100 |
135 |
4 |
4-18 |
20 |
2 |
|
DN32 |
66 |
82 |
110 |
150 |
4 |
4-23 |
24 |
2 |
|
DN40 |
76 |
95 |
125 |
165 |
4 |
4-23 |
24 |
3 |
|
DN50 |
88 |
105 |
135 |
175 |
4 |
4-23 |
26 |
3 |
|
DN65 |
110 |
130 |
160 |
200 |
4 |
8-23 |
28 |
3 |
|
DN80 |
121 |
140 |
170 |
210 |
4 |
8-23 |
30 |
3 |
|
DN100 |
150 |
168 |
200 |
250 |
4.5 |
8-25 |
32 |
3 |
|
DN125 |
176 |
202 |
240 |
295 |
4.5 |
8-30 |
36 |
3 |
|
DN150 |
204 |
240 |
280 |
340 |
4.5 |
8-34 |
38 |
3 |
|
DN200 |
260 |
300 |
345 |
405 |
4.5 |
12-34 |
44 |
3 |
|
DN250 |
313 |
352 |
400 |
470 |
4.5 |
12-41 |
48 |
3 |
|
DN300 |
364 |
412 |
460 |
530 |
4.5 |
16-41 |
54 |
4 |
注:1、本产品法兰连接尺寸PN10、PN40按GB9113-88标准,PN64按JB79.2-94标准,结构长度按GB12221-89标准。
2、本产品法兰密封面形式有凸面和凹面两种,可按用户指定,用户未指定时,PN10按凸面,PN40、PN64按凹面。


